What's new
Club Scuderia

This is a sample guest message. Register a free account today to become a member! Once signed in, you'll be able to participate on this site by adding your own topics and posts, as well as connect with other members through your own private inbox!

  • Please take a minute to read this thread about our recent server issues and forum platform Switch

355 Headlamp motor removal and replacement

matkat

New member
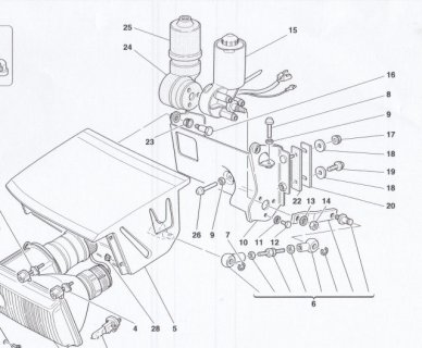
Malcolm can You(or anyone)let me have a procedure to remove and replace the motor? I have looked at it but just cannot fathom it out.
Thanks
Dave
 
Dave,

I expect you've sorted it by now, but anyway this is how you do it in a 348 and I assume a 355 will be the same as the headlamps are identical.

1) Disconnet the battery - the motor can trigger and break your fingers!.
2) Remove the top half of the boot liner.
3) If left hand light, take the four bolts out of the secondary fuse box and move out of the way.
4) If right hand light, remove the washer bottle and move out of the way.
5) Screw the light up to the top using the emergency knob.
6) You will see four bolts on the back of the panel / bulkhead behind the light (hence removal of the fuse box/washer bottle). Disconnect these and the whole lot should come up and out.
7) You can then strip down the motor unit on the bench.

Hope this is of help.

Good Luck

Julian
 
Dave,

I think you mean items 17 and 19 there are two more bolts (behind the motor on the drawing ) that are not shown.

You can see three of these if you pop off the cover for the secondary fuse box.

Hope these help

Good Luck Julian
 

Attachments

  • Pict0001.jpg
    Pict0001.jpg
    70.8 KB · Views: 130
  • Pict0003.jpg
    Pict0003.jpg
    62.9 KB · Views: 133
Back
Top